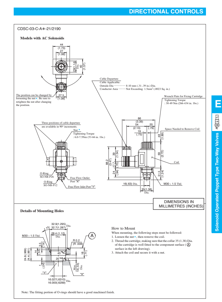
YUKEN CDSC CDST CDSG Solenoid Kumandalı Poppet Tipi İki Yollu Valfler CDSC-01-C CDSC-03-C CDST-03-C CDST-03WC CDSG-03-C
Bu valfler popet valfin selenoid üzerinden elektrik sinyali ile çalıştırılmasıyla yağ yolunun açılıp kapanmasında kullanılır. Bunlar popet tipi olduğundan iç sızıntı oldukça azdır ve hidrolik kilitlenme endişesi yoktur. Maksimum akış, vananın çalışmasında (değişiminde) herhangi bir anormalliğe neden olmadan sınırlı akış anlamına gelir. Vana 18,5 derecede çalıştırıldığında Mpa (2680 PSI) veya daha yüksek basınçta, sürekli enerjilerin süresi Max ile sınırlandırılmıştır. ve ayrıca enerji oranı %90'dan azdır. CDSC-01 yalnızca "D24" bobin tipinde mevcuttur. Hem AC hem de DC solenoidler geçmeli tip elektrik kablolarını kullandığından, valf çıkarılabilir kabloları çıkarmadan. (CDSC-01'nin bobin türü yalnızca uçan kurşun teldir.) 50-60 Hz ortak servis AC solenoidleri olduğundan, uygulanan frekans değiştirildiğinde yeniden kablolama gerektirmez. K-Serisi DC Solenoid, mükemmel DC kontrolü kullanılır.


|
YUKEN CDSC CDST CDSG Solenoid Kumandalı Popet Tip İki Yollu Vanalar CDSC-01-C CDSC-03-C CDST-03-C CDST-03WC CDSG-03-C |






|
|

Popüler Etiketler: yuken cdsc cdst cdsg solenoidle çalıştırılan popet tipi iki yollu vanalar cdsc-01-c cdsc-03-c cdst-03-c cdst-03wc cdsg-03-c












